Skip to content

KitSprout/QCopterFlightControl

Folders and files

NameName
Last commit message
Last commit date

Latest commit

 
 
 
 
 
 
 
 
 
 
 

Repository files navigation

QCopterFC

GitHub version GitHub version GitHub license GitHub pcb library

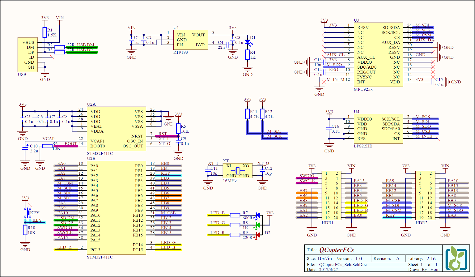
QCopterFC 是一個基於 STM32F4 的飛行控制器,主要用來實現濾波、平衡、控制等演算法的平台。集成微控制器 9 DOF 慣性測量元件以及氣壓計,目前有 QCopterFC 與 QCopterFCs 兩種版本,前者使用芯片效能較高、功能多、硬體完善,後者功能較為簡潔,以擴充方式實現不同需求,靈活度高。目前開發著重於 QCopterFCs,想了解 QCopterFC 的可以進入該分支 branche

Hardware

View


[more photo](https://goo.gl/photos/LVRgoCt4GyYr4dVZ8)...

Config

Schematic

Get it

Ruten Shop