Help before I start making a SquishBox, please? #85
-
|
[I posted this question on Youtube, before finding this Github. I hope this is the right place to post my questions] |
Beta Was this translation helpful? Give feedback.
Replies: 1 comment
-
|
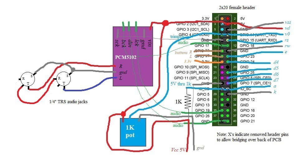
I may have used a 1K pot in that very early build, but 10K is what's generally called for and what I've been using in my production builds. I think it doesn't matter too much, since it's just acting as a voltage divider. Maybe 10K is safer for other components because it reduces the current, but I would guess the difference is small. |
Beta Was this translation helpful? Give feedback.
I may have used a 1K pot in that very early build, but 10K is what's generally called for and what I've been using in my production builds. I think it doesn't matter too much, since it's just acting as a voltage divider. Maybe 10K is safer for other components because it reduces the current, but I would guess the difference is small.